PRODUCTS
- Home
- Products
- Pneumatic Cylinders
- Round Pneumatic Cylinder
- Single Rod Type - WK Series
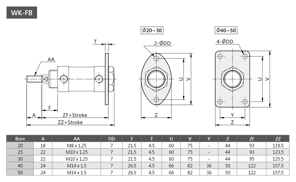
Round Pneumatic Cylinder
Single Rod Type - WK Series
Bore ø20~50- Features
- High Quality, Long Life
- Smooth acting at both high & low speed
- Wide variety of mountings
- Magnet type is available for sensors
Technical Data
| Product Series | WK Series | |||||
|---|---|---|---|---|---|---|
| Cylinder Bore | mm | 20 | 25 | 30 | 40 | 50 |
| Max. Stroke | mm | 500 | 1000 | |||
| Standard Stroke | mm | 25, 50, 75 ... 300 | ||||
| Fluid | - | Compressed Air – Filtered & Lubricated | ||||
| Operating Pressure | kg/cm2 | 1 ~ 10 | ||||
| Ambient Temperature | ℃ | -10 ~ +60 | ||||
| Sensor | - | Magnetic Switch | ||||
Dimensions








